Electrode Correction Head
Product Features:
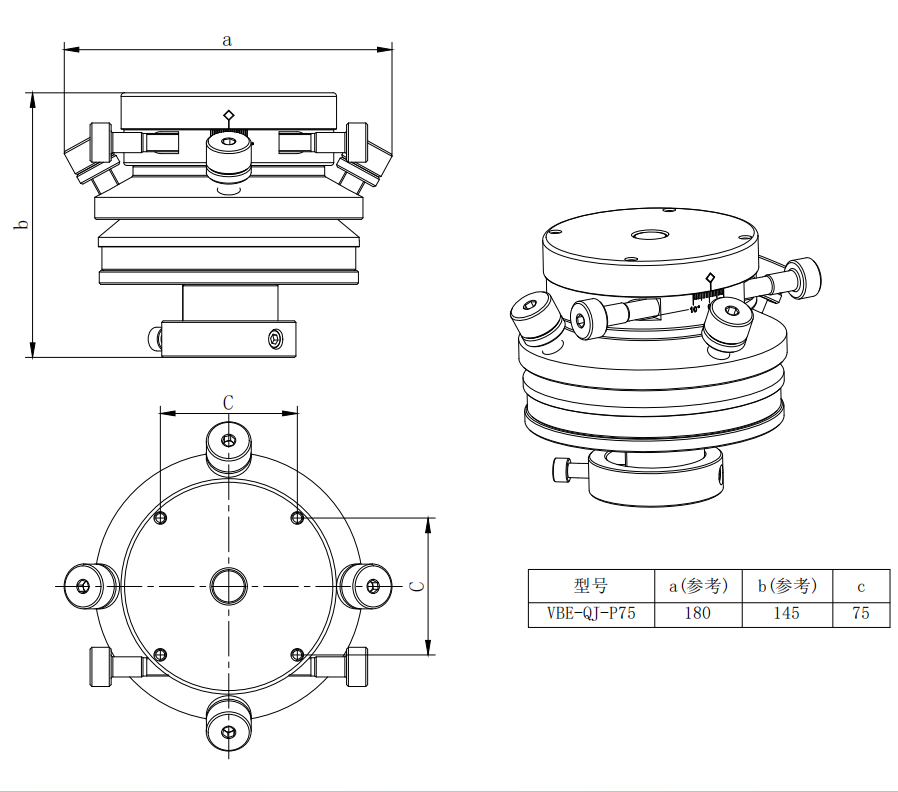
- Multi-dimensional adjustment function: electrodes can be freely adjusted in horizontal and angle directions to ensure precise alignment. Anti-rust surface treatment extends service life. Suitable for high-precision EDM electrode positioning tasks.
We specialize in high-quality fixture manufacturing:
- Quick-change ER collet chucks: Fast tool changes, higher efficiency.
- Mechanical supercharged vises: Strong clamping for stable workholding.
- Wire-EDM fixtures: Precise positioning for intricate cutting.
Our precision, durable, user-friendly fixtures fit CNC milling, turning & EDM needs—boosting your productivity and accuracy to stay competitive.
Sepcification
- Basic Info
- Core Specification
| Item | Details |
| Model NO. | VEB-QJ-P105/VEB-QJ-P75/VEB-QJ-P54 |
| Material | Structural Steel |
| Transport Package | Standard Export Package |
| Place of Origin | China |
| Coating | Coating |
| Application | EDM Electrode Positioning & Calibration |
| Item | Parameter Description |
|
Specification
|
100*120*60 |
| Maximum torque | 20N.M |
| Maximum clamping force | 4KN |









